산업용 캐비닛 도어 잠금 장치내부 전기 부품의 안전 및 시스템의 안정적인 작동과 직접적인 관련이 있는 배전 캐비닛, 통신 캐비닛, 제어 상자 및 기타 장비의 핵심 보호 구성 요소입니다.
다양한 프로젝트의 납기 및 사양에 대한 다양한 요구 사항을 충족하기 위해 당사는 항상 일반적으로 사용되는 5가지 유형의 잠금 장치를 보유하고 있습니다.긴 막대 잠금 장치, 패널 잠금, 로드 컨트롤 잠금 장치, 핸들 잠금 장치,회전식 혀 잠금 장치. 동시에 우리는 모든 종류의 금속 배전함에 완벽하게 적합한 도면이나 샘플에 따라 맞춤화된 비표준 잠금 장치를 지원합니다.
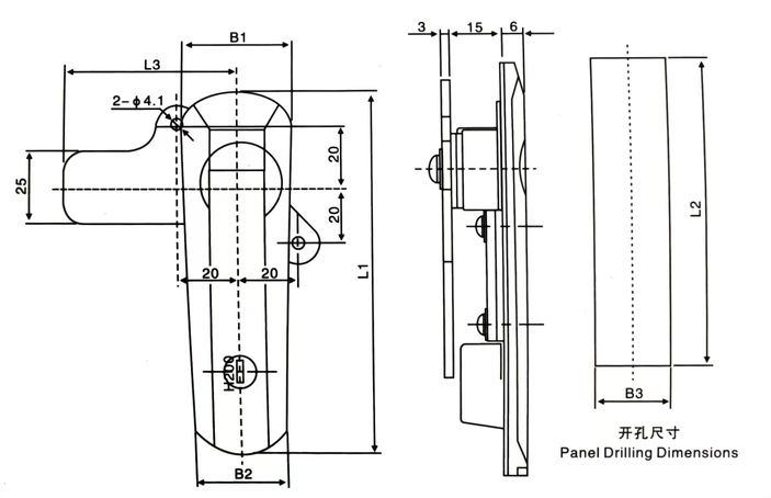
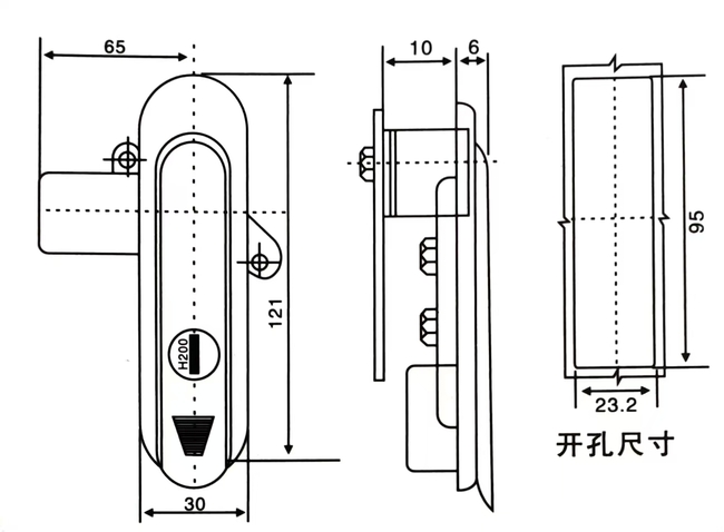
평면 잠금 장치는 아름답고 유지 관리가 쉬운 산업용 캐비닛 도어 잠금 장치의 가장 일반적인 유형 중 하나입니다. 우리 회사는 차별화된 디자인의 구조적 강도, 보호 성능 및 작동 느낌으로 AB301, AB302, AB303, AB402, AB403 시리즈 평면 잠금 장치를 출시하여 배전함, 제어 캐비닛 설치 요구 사항의 다양한 사양을 충족할 수 있습니다.
| 치수 | 제품번호 | |||||||
| L1 | L2 | L3 | 지하 1층 | 지하 2층 | 회색 크롬 도금 | 회색 스프레이 페인트 | 흑색 화약 코팅 | 무게(g) |
| 147 | 117 | 72 | 33 | 26.5 | AB301-1-1.2 | AB301-1-1.8 | AB301 | 370 |
| 120.5 | 95.5 | 65 | 30 | 23.5 | AB301-2-1.2 | AB301-2-1.8 | AB302 | 290 |
| 87.5 | 62.5 | 65 | 28.5 | 23.5 | AB301-3-1.2 | AB301-3-1.8 | AB303 | 215 |
주요 재료: 아연 합금.
표면 처리: 밝은 크롬, 무광택, 검정색.
기능 및 사용: 밀봉 및 방수 기능으로 사용하기 쉬운 왼쪽 및 오른쪽 도어 개방을 실현합니다.
주요 재료: 아연 합금.
표면 처리: 밝은 크롬, 무광택, 검정색.
기능 및 사용: 밀봉 및 방수 기능으로 사용하기 쉬운 왼쪽 및 오른쪽 도어 개방을 실현합니다.
재질: 아연 합금 자물쇠 본체, 회전 샤프트, 아연 도금 강철 볼트, 압력판.
표면 처리: 은회색 나노 스프레이.
구조 설명: 90도 회전하여 열거나 잠글 수 있습니다.
| 모델 | L1 | L2 | L3 | 지하 1층 | 지하 2층 | B3 |
| 새로운 AB402-A | 123 | 95.5 | 65 | 36.5 | 30 | 23.5 |
| 새로운 AB403-A | 91 | 62.5 | 65 | 33 | 28.5 | 23.5 |
| 새로운 AB401-A | 151 | 117 | 72 | 36 | 30 | 26.5 |
